


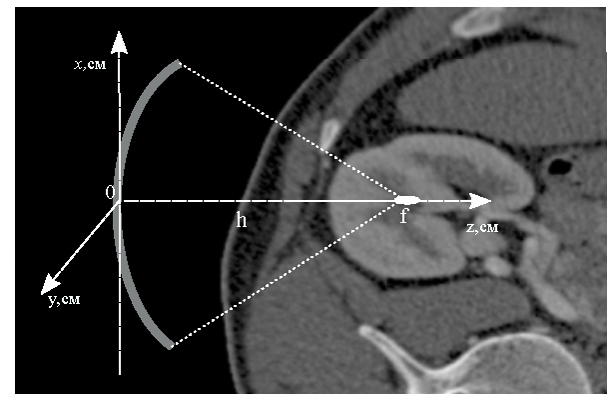
Students of LIMU Katya Ponomarchuk and Nastya Bobina received student stipends from Focused Ultrasound Global Internship Program for summer 2018. Katya’s project is devoted to histological and ultrastructural analysis (EM) of lesions induced by high intensity focused ultrasound in hematoma using boiling histotripsy method. Nastya proposed a project on modeling focused ultrasound beams in inhomogeneous biological tissue using data of computed tomography (CT). Congratulations to Nastya and Katya!